tech-08-2.jpg

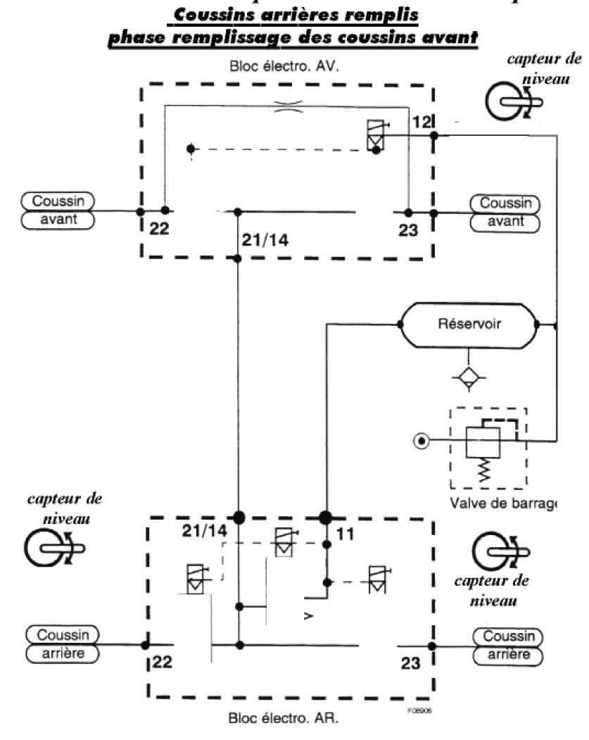
Schéma pneumatique des coussins avants et arrières d\'une suspension pneumatique à commande électronique de poids lourds.
Télécharger ce(s) document(s)
Informations complémentaires
Thèmes et sous-thèmes:
Suspension, Liaison au sol
Origine/source:
Educauto
Type de supports:
Image









