Reponses-07-2.jpg

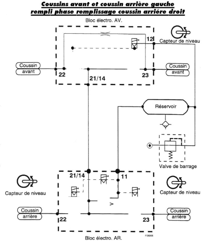
Schéma hydraulique incomplet des coussins avants et coussin arrière gauche remplis et, phase remplissage du coussin arrière droit d\'une suspension pneumatique à pilotage électronique.
Télécharger ce(s) document(s)
Informations complémentaires
Thèmes et sous-thèmes:
Suspension, Liaison au sol
Origine/source:
Educauto
Type de supports:
Image









