Reponses-07-1.jpg

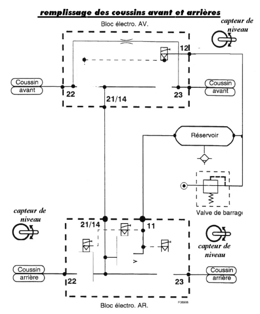
Schéma hydraulique incomplet en phase remplissage des coussins avants avec les coussins arrières déjà remplis d\'une suspension pneumatique à commande électronique.
Télécharger ce(s) document(s)
Informations complémentaires
Thèmes et sous-thèmes:
Suspension, Liaison au sol
Origine/source:
Educauto
Type de supports:
Image









