Centre national de ressources pour la formation automobile

travail-10-2.jpg

Image
A+A-
Imprimer Envoyer par mail
Partager sur Twitter Partager sur Facebook
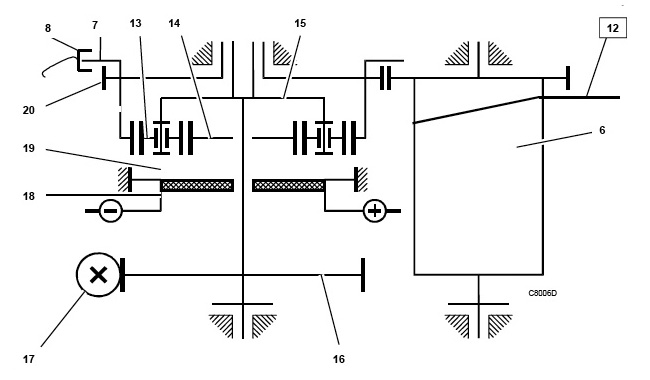
Schéma cinématique d\'un système de porte coulissante motorisée.

Télécharger ce(s) document(s)

Ressources médiathèque
travail-10-2.jpg
74

Informations complémentaires

Origine/source:
Educauto
Type de supports:
Image
Chargement...