Aller au contenu principal
Centre national de ressources pour la formation automobile
Menu
Actualités
Actualités à la une
Actualités des partenaires
Focus
Ressources
Documentation officielle
Ressources techniques et pédagogiques
Médiathèque
Etudes socio-économiques
Ressources bases de données externes
Ressources académiques
Contributions
Annuaire des liens
Qui sommes-nous ?
Vous êtes ici :
Accueil
/
Médiathèque
/ Travail-04.jpg
Travail-04.jpg
Image
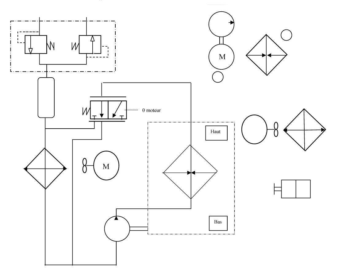
Schéma normalisé à compléter du circuit de refroidissement moteur et de réchauffage de l´habitacle avec adaptation d\'un réchauffeur.
Télécharger ce(s) document(s)
Ressources médiathèque
Travail-04.jpg
176
travail-04.jpg (93.93 Ko)
Informations complémentaires
Origine/source:
Educauto
Type de supports:
Image