Centre national de ressources pour la formation automobile

Travail-03.jpg

Image
A+A-
Imprimer Envoyer par mail
Partager sur Twitter Partager sur Facebook
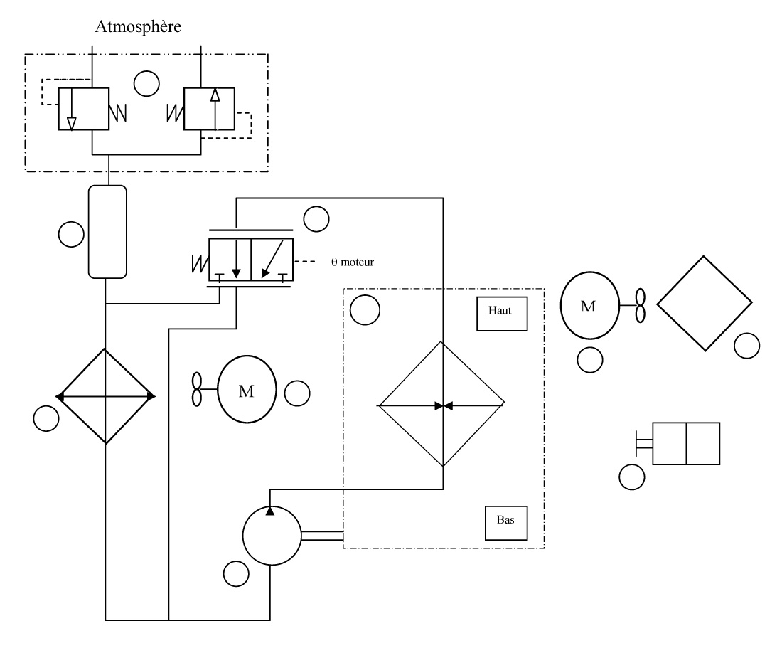
Schéma normalisé d\'un circuit de refroidissement moteur et de son circuit de chauffage de l´habitacle.

Télécharger ce(s) document(s)

Ressources médiathèque
Travail-03.jpg
165

Informations complémentaires

Origine/source:
Educauto
Type de supports:
Image
Chargement...