Aller au contenu principal
Centre national de ressources pour la formation automobile
Menu
Actualités
Actualités à la une
Actualités des partenaires
Focus
Ressources
Documentation officielle
Ressources techniques et pédagogiques
Médiathèque
Etudes socio-économiques
Ressources bases de données externes
Ressources académiques
Contributions
Annuaire des liens
Qui sommes-nous ?
Vous êtes ici :
Accueil
/
Médiathèque
/ Tech-09.jpg
Tech-09.jpg
Image
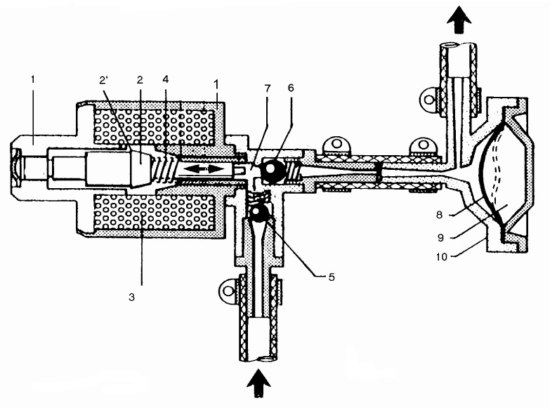
Ensemble pompe et amortisseur de pulsation d\'un système de chauffage d\'air additionnel de l\'habitacle.
Télécharger ce(s) document(s)
Ressources médiathèque
Tech-09.jpg
74
tech-09.jpg (116.4 Ko)
Informations complémentaires
Origine/source:
Educauto
Type de supports:
Image