sujet-09-2.jpg

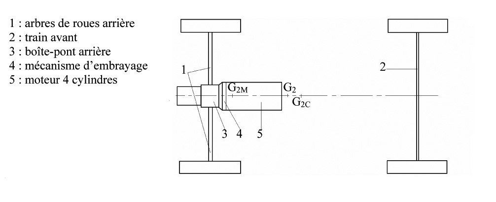
Schéma d\'ensemble de la mécanique du véhicule 2RM implanté longitudinalement de manière classique à l´arrière.
Télécharger ce(s) document(s)
Informations complémentaires
Thèmes et sous-thèmes:
Boite de vitesses mécanique, Transmission
Origine/source:
Educauto
Type de supports:
Image









