Pompe

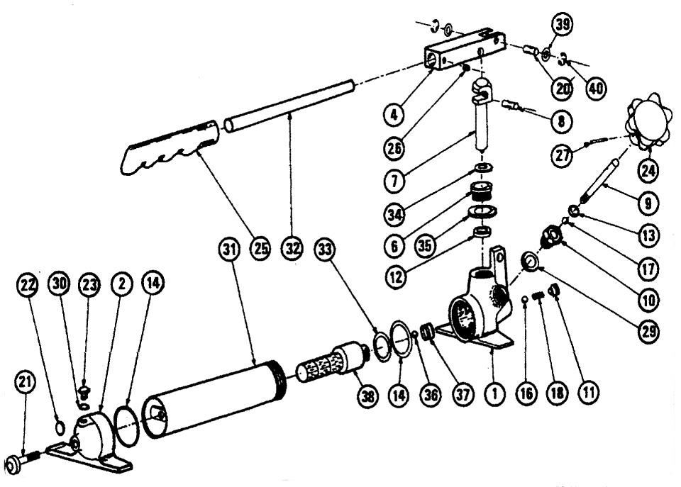
Vue éclatée d'une pompe manuelle hydraulique.
Télécharger ce(s) document(s)
Informations complémentaires
Thèmes et sous-thèmes:
Carrosserie - Peinture, Matériel / Equipement carrossier - peintre
Domaines d'enseignement:
Enseignement Professionnel Carrosserie - Peinture
Origine/source:
Educauto
Type de supports:
Image









