Aller au contenu principal
Centre national de ressources pour la formation automobile
Menu
Actualités
Actualités à la une
Actualités des partenaires
Focus
Ressources
Documentation officielle
Ressources techniques et pédagogiques
Médiathèque
Etudes socio-économiques
Ressources bases de données externes
Ressources académiques
Contributions
Annuaire des liens
Qui sommes-nous ?
Vous êtes ici :
Accueil
/
Médiathèque
/ Dossier_Travail-04-1.jpg
Dossier_Travail-04-1.jpg
Image
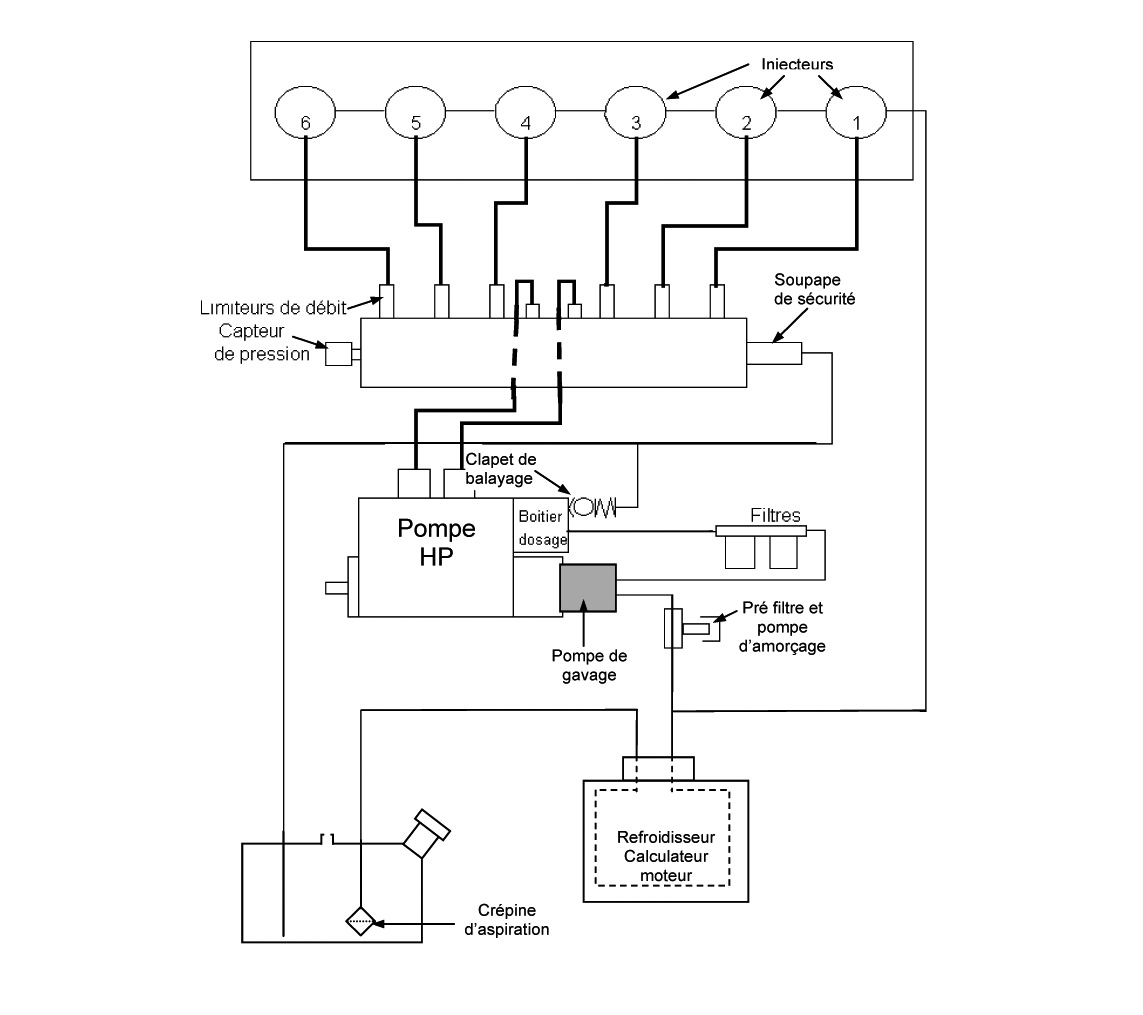
Système d\'injection GPL : Schéma du vaporisateur régulateur de GPL .
Télécharger ce(s) document(s)
Ressources médiathèque
Dossier_Travail-04-1.jpg
423
dossier_travail-04-1.jpg (62.15 Ko)
Informations complémentaires
Thèmes et sous-thèmes:
Système d'injection GPL GNV, Motorisation
Origine/source:
Educauto
Type de supports:
Image
Ressources similaires
Ressources médiathèque
Dossier_Travail-05.jpg
dossier_travail-05.jpg (57 Ko)
Ressources médiathèque
Dossier_Travail-04-2.jpg
dossier_travail-04-2.jpg (56.82 Ko)
Ressources médiathèque
Dossier_Travail-06.jpg
dossier_travail-06.jpg (209.32 Ko)
Ressources médiathèque
Dossier_Travail-03.jpg
dossier_travail-03.jpg (109.89 Ko)
Ressources médiathèque
Travail-05.jpg
travail-05.jpg (101.12 Ko)
Ressources médiathèque
U52_2000_sujet-11.jpg
u52_2000_sujet-11.jpg (195.91 Ko)