Aller au contenu principal
Centre national de ressources pour la formation automobile
Menu
Actualités
Actualités à la une
Actualités des partenaires
Focus
Ressources
Documentation officielle
Ressources techniques et pédagogiques
Médiathèque
Etudes socio-économiques
Ressources bases de données externes
Ressources académiques
Contributions
Annuaire des liens
Qui sommes-nous ?
Vous êtes ici :
Accueil
/
Médiathèque
/ Climatisation
Climatisation
Image
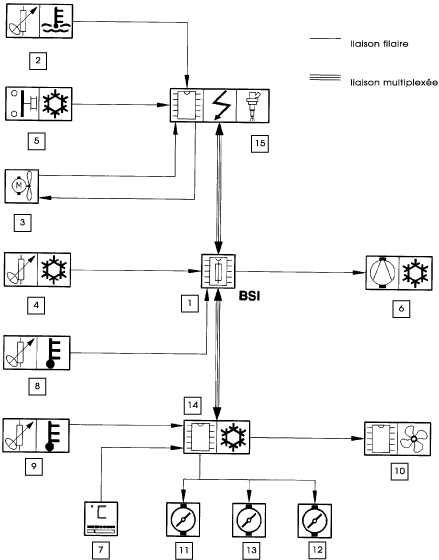
Schéma fonctionnel d'un système de climatisation.
Télécharger ce(s) document(s)
Ressources médiathèque
Climatisation
459
pg_23.gif (15.4 Ko)
Informations complémentaires
Thèmes et sous-thèmes:
Confort et sécurité, Confort habitacle, Climatisation
Origine/source:
Educauto
Type de supports:
Image
Ressources similaires
Ressources médiathèque
Climatisation
pg_34.gif (32.28 Ko)
Ressources médiathèque
Climatisation
pg_30.gif (6.51 Ko)
Ressources médiathèque
Climatisation
mise_situation.gif (42.43 Ko)
Ressources médiathèque
analyse_fonctionnelle.gif
analyse_fonctionnelle.gif (8.46 Ko)
Ressources médiathèque
principe_regulation.jpg
principe_regulation.jpg (27.5 Ko)
Ressources médiathèque
architecture-regulation.jpg
architecture-regulation.jpg (33.13 Ko)