Aller au contenu principal
Centre national de ressources pour la formation automobile
Menu
Actualités
Actualités à la une
Actualités des partenaires
Focus
Ressources
Documentation officielle
Ressources techniques et pédagogiques
Médiathèque
Etudes socio-économiques
Ressources bases de données externes
Ressources académiques
Contributions
Annuaire des liens
Qui sommes-nous ?
Vous êtes ici :
Accueil
/
Médiathèque
/ sujet-11-2.jpg
sujet-11-2.jpg
Image
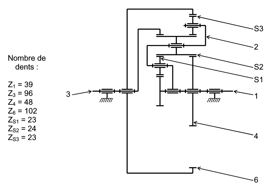
éléments constitutifs de l\'actionneur de boite de vitesse pilotée Sensodrive.
Télécharger ce(s) document(s)
Ressources médiathèque
sujet-11-2.jpg
717
sujet-11-2.jpg (73.6 Ko)
Informations complémentaires
Thèmes et sous-thèmes:
Boite de vitesses mécanique, Transmission
Origine/source:
Educauto
Type de supports:
Image
Ressources similaires
Ressources médiathèque
sujet-32.jpg
sujet-32.jpg (60.34 Ko)
Ressources médiathèque
elements_corriges-10-2.jpg
elements_corriges-10-2.jpg (72.07 Ko)
Ressources médiathèque
sujet-11-2.jpg
sujet-11-2.jpg (66.24 Ko)
Ressources médiathèque
sujet-07-2.jpg
sujet-07-2.jpg (169.63 Ko)
Ressources médiathèque
U50_2004_sujet-28-1.jpg
u50_2004_sujet-28-1.jpg (56.36 Ko)
Ressources médiathèque
U50_2004_sujet-28-3.jpg
u50_2004_sujet-28-3.jpg (55.27 Ko)