dossier_tech-26-1.jpg

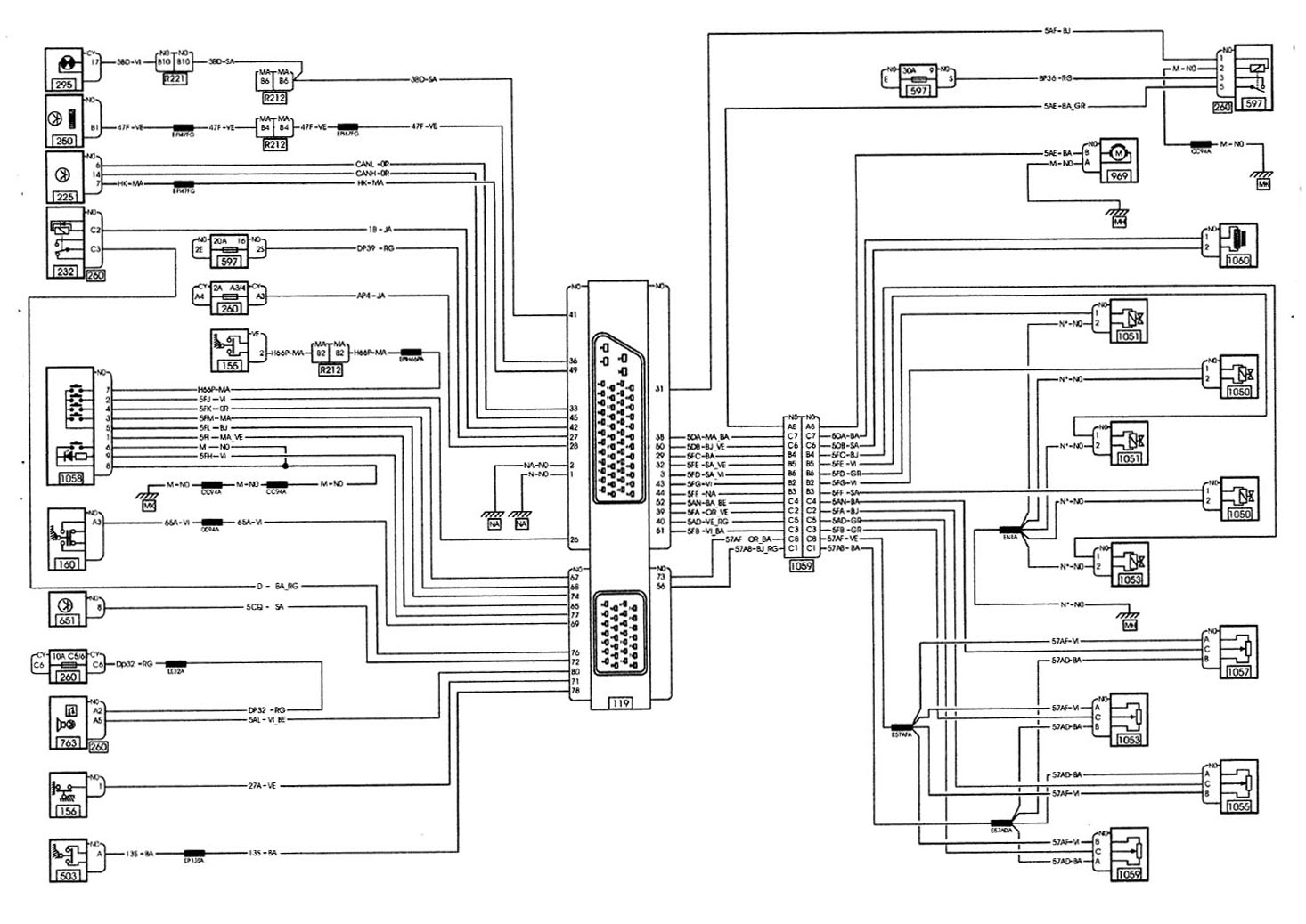
groupe électrohydraulique de commande de passage de vitesses su r une boîte robotisée.
Télécharger ce(s) document(s)
Informations complémentaires
Thèmes et sous-thèmes:
Boite de vitesses mécanique, Transmission
Origine/source:
Educauto
Type de supports:
Image









