dossier_tech-23.jpg

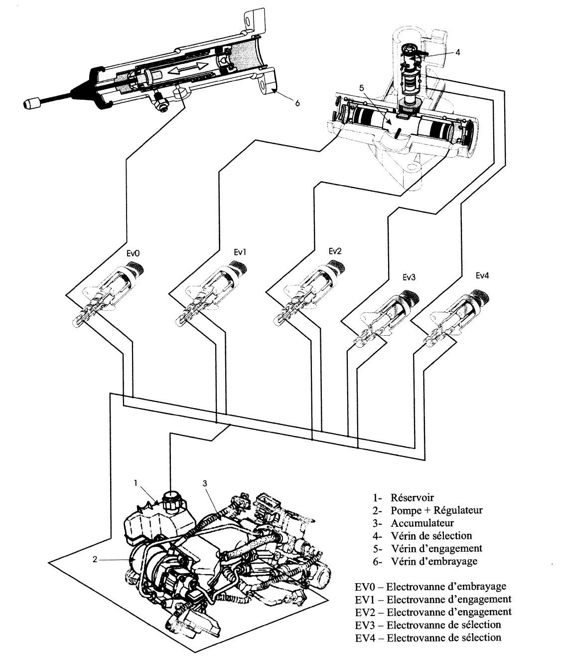
Circuit hydraulique de passage des vitesses pour une commande robotisée: ici position repos
Télécharger ce(s) document(s)
Informations complémentaires
Thèmes et sous-thèmes:
Boite de vitesses mécanique, Transmission
Origine/source:
Educauto
Type de supports:
Image









