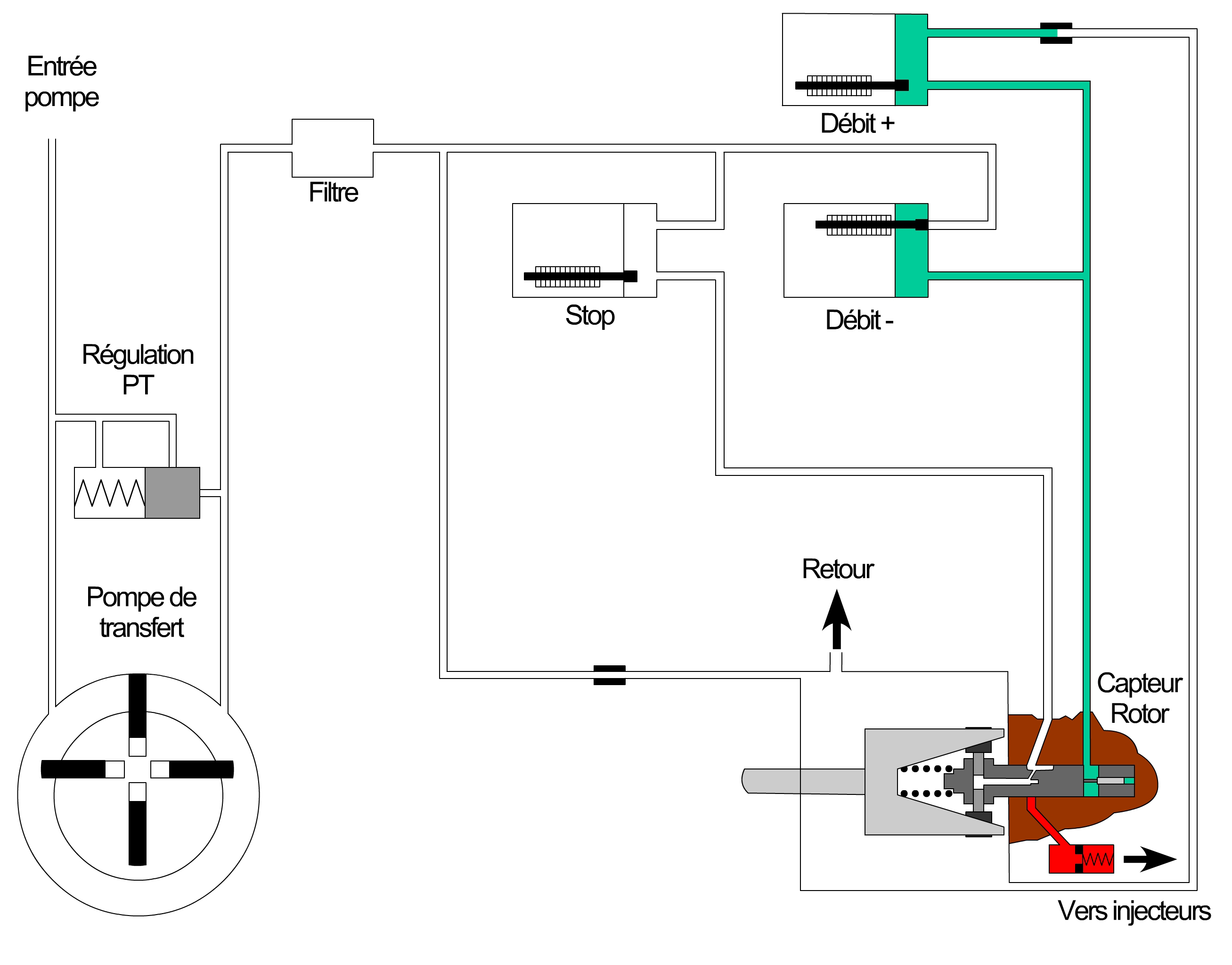
Le circuit Bosch CP3

Le circuit hydraulique complet Bosch CP3 vue 3D
Télécharger ce(s) document(s)
Informations complémentaires
Thèmes et sous-thèmes:
Motorisation, Système d'injection diesel
Certification:
- Bac Pro Maintenance des véhicules option VTR
- BAC PRO Maintenance des véhicules automobiles
- BAC PRO Maintenance des véhicules automobiles option véhicules industriels
- BAC PRO Maintenance des véhicules automobiles option véhicules particuliers
- BTS AVA
- BTS Après-vente automobile, option véhicules particuliers
- BTS Après-vente automobile, option véhicules industriels
- BTS MAVA
- BTS MCI Moteur à combustion interne
- C.A.P Maintenance des Véhicules (opt B : VTR)
- C.A.P. Maintenance des véhicules (opt A : véhicules particuliers)
- C.A.P. Maintenance des véhicules (opt B : véhicules industriels)
- C.Q.P. Technicien confirmé mécanique véhicules utilitaires et industriels (TCVUI)
- C.Q.P. Technicien confirmé véhicules utilitaires et industriels
- C.Q.P. Technicien électronicien électricien auto (TEEA)
- C.Q.P. Technicien expert après vente automobile (TEAVA)
- C.Q.P. Technicien expert après vente véhicule utilitaires et industriels (TEAVVUI)
Domaines d'enseignement:
Analyse Fonctionnelle - Construction - Etudes et essais, Enseignement Professionnel Maintenance V.I., Enseignement Professionnel Maintenance V.P.
Origine/source:
GNFA
Type de supports:
Image
Ressources similaires
Ressources médiathèque
Ressources médiathèque
Ressources médiathèque








